Главные новости дня

iMag.one
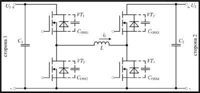
В СФУ создают реверсивный импульсный преобразователь для систем электропитания космических аппаратов

В СФУ создают реверсивный импульсный преобразователь для систем электропитания космических аппаратов

Учёные Сибирского федерального университета (СФУ) разработали макет устройства, которое позволит облегчить космические аппараты и повысить надёжность их электроснабжения. Новое решение уменьшает массу аппаратуры, связывающей источники питания, на 30–45% и упрощает управление энергопотоками. Результаты работы представлены в издании «Сибирский аэрокосмический журнал».
Читать в источнике
habr.comhabr.com

Последние новости

09.10 / 10:41
технологии происшествия гаджеты видео Аккуратнее с очками! Эксперты iFixit признали Ray-Ban Display гаджетом, непригодным к ремонту
Специалисты iFixit провели детальный разбор умных очков Ray-Ban Meta Display и пришли к выводу: устройство практически не подлежит ремонту.
09.10 / 10:11
продукты здоровье общество самит вредные продукты дефицит животный мир Продукты, которые строго запрещены при заболеваниях суставов, назвали врачи
Здоровый образ жизни и отказ от вредных привычек помогут избавиться от боли в суставах.
09.10 / 10:09
экономика крипто токен Kraken Binance coinbase Ocean Protocol заявил о выходе из альянса ASI для сохранения независимой токеномики
Разработчики Ocean Protocol объявили о выходе из Альянса искусственного суперинтеллекта (ASI), созданного совместно с Fetch.ai и SingularityNET. Решение вступает в силу немедленно и сопровождается отзывом представителей протокола из состава совета директоров проекта. ASI основали в марте 2024 года для объединения экосистем трех проектов, работающих с искусственным интеллектом, под единым токеном. В рамках слияния токены AGIX и OCEAN могли быть добровольно конвертированы в FET, который стал базовым активом объединенной экосистемы и позднее был переименован в ASI. При этом новый с
09.10 / 10:06
наука пропажа Знаменитости Из «проклятой» гробницы фараона Древнего Египта исчезла фреска
«4000-летняя фреска эпохи фараонов пропала из знаменитого египетского некрополя Саккара, став последним артефактом, исчезнувшим при загадочных обстоятельствах», — такими словами открывается материал independent.
09.10 / 09:38
технологии промышленность конференция общество энергетика СИГМА представит свои решения на Российской энергетической неделе
СИГМА примет участие в крупнейшем международном форуме в области энергетики — «Российская энергетическая неделя», который пройдет в Москве 15–17 октября. Это ключевая площадка, объединяющая лидеров топливно-энергетического комплекса, представителей крупнейших компаний и мировых экспертов для обсуждения стратегий развития отрасли и внедрения передовых технологий.
09.10 / 09:38
люди общество политика самит Знаменитости мода и стиль Настройки Sora не блокируют все дипфейки и нарушения авторских прав
Пользователи выяснили, что генератор видео Sora от OpenAI, несмотря на запрет создавать ролики с участием знаменитостей, игнорирует его, если речь идёт об умершем человеке. Кроме того, клипы могут содержать лицензионную музыку.
09.10 / 09:38
продукты конференция общество книги Cisco крипто У ChatGPT уже 800 миллионов пользователей в неделю, а популярность Codex выросла в 10 раз
На конференции DevDay Сэм Альтман сообщил, что еженедельная аудитория ChatGPT превысила 800 миллионов человек. Еще в августе OpenAI называла цифру около 700 млн пользователей, то есть рост составил почти 100 млн за два месяца — очевидно, что главным драйвером стал выход GPT-5 в начале августа. Компания раскрыла и другие метрики своей платформы: уже более 4 миллионов разработчиков создают продукты на базе OpenAI, асуммарная нагрузка достигает 6 миллиардов токенов в минуту — это примерно 8 тысяч копий книги «Война и мир».
09.10 / 09:38
технологии общество прогноз adobe крипто Adobe прогнозирует рост AI-покупок в интернете на 520 %
По данным Adobe Analytics, объём онлайн-продаж в США в праздничный сезон 2025 года может достичь $253,4 млрд, что на 5,3 % выше, чем в прошлом году. При этом использование AI-инструментов в электронной коммерции ожидается взрывным. Рост на 520 %, особенно в последние 10 дней перед Днём благодарения.
09.10 / 09:38
продукты технологии самит стартап google Google Quantum AI купила Atlantic Quantum для ускорения разработки чипов
Компания Google Quantum AI, которая основана в 2012 году и работает над созданием квантовых компьютеров, приобрела стартап Atlantic Quantum Массачусетского технологического института, чтобы ускорить выпуск чипов для своих задач.
09.10 / 09:34
кино история Знаменитости Шоу бизнес Официально: сериал “Декстер: Воскрешение” получит второй сезон
В сентябре завершился показ первого сезона сериала “Декстер: Воскрешение” (Dexter: Resurrection), который стал продолжением мини-сериала с подзаголовком “Новая кровь”.
09.10 / 09:29
технологии смартфоны Qualcomm гаджеты Держите Монстра: флагманский смартфон iQOO 15 дебютирует 20 октября и будет доступен в четырех стильных цветах
Компания iQOO поделилась важной информацией о своем новом флагманском смартфоне и назвала дату его релиза.
09.10 / 09:21
технологии Lowe's Представлен игровой монитор AOC U32G4U с частотой 160 Гц и 320 Гц
Модель ориентирована на пользователей, которым важны как кинематографическое качество изображения для полного погружения в игры и мультимедиа, так и сверхвысокая частота кадров для киберспортивных дисциплин.
09.10 / 09:21
продукты история google Google представила ИИ-модель Gemini 2.5 Computer Use
Модель уже доступна в публичной предварительной версии через Gemini API в Google AI Studio и Vertex AI. Gemini 2.5 Computer Use основана на возможностях визуального восприятия и логического анализа модели Gemini 2.5 Pro. Она способна выполнять широкий спектр действий в браузере — нажимать кнопки, вводить текст, прокручивать страницы, наводить курсор, открывать выпадающие меню и переходить по ссылкам.
09.10 / 09:06
финансы политика криптовалюта Еврозона CoinDesk ETF Курс bitcoin Люксембург инвестировал в биткоин через ETF
Фонд суверенного благосостояния Люксембурга (FSIL) инвестировал 1% своих активов в биткоин через биржевой фонд (ETF). Об этом сообщает CoinDesk со ссылкой на министра финансов Жильса Рота. Таким образом FSIL стал первым государственным фондом в еврозоне, вложившим средства в криптовалюты. Журналисты отметили, что в июле 2025 года местное правительство утвердило обновленну
09.10 / 09:06
технологии банк visa доллар mastercard токен Северная Дакота запустит стейблкоин Roughrider — второй государственный токен в США
Банк Северной Дакоты (Bank of North Dakota) — единственный государственный банк в США — объявил о планах выпустить собственный стейблкоин под названием Roughrider Coin (RRST) в партнерстве с финтех-компанией Fiserv Inc. Он будет использоваться для банковских транзакций между финансовыми учреждениями штата. Стейблкоин будет полностью обеспечен долларами США и сначала будет применяться для переводов между местными банками и кредитными союзами в таких случаях, как выдача займов, краткосрочное кредитование и финансирование строительных проектов. По его словам, банк стремится адаптироваться к
09.10 / 09:06
продукты технологии люди семья самит Знаменитости Приложение Sora повторило успех ChatGPT по загрузкам в первую неделю после запуска
Новое приложение Sora от OpenAI, предназначенное для генерации видео с помощью ИИ, вышло в лидеры мобильных рейтингов. Согласно аналитике Appfigures, за первую неделю после запуска оно набрало 627 000 загрузок на iOS, превысив результат ChatGPT, собравшего 606 000 установок в первые семь дней после релиза. При этом аналитики уточняют, что прямое сравнение некорректно. ChatGPT в момент запуска был доступен исключительно в США, тогда как Sora сразу вышла на рынки США и Канады. При этом канадская аудитория обеспечила около 45 000 загрузок. Иными словами, есть если учитывать только США, показатели Sor
09.10 / 08:55
Bethesda YouTube презентации fallout Bethesda анонсировала Fallout Day 2025 — чего ждать поклонникам легендарной франшизы?
Bethesda анонсировала ежегодное мероприятие, посвященное популярной постапокалиптической франшизе Fallout.
09.10 / 08:55
технологии CEO GitHub переходит на Azure: масштабная миграция в рамках интеграции с Microsoft
GitHub, который Microsoft приобрела в 2018 году за $7,5 млрд, готовится к масштабному переходу на облачную платформу Microsoft Azure. Это решение принято после недавней отставки CEO Томаса Домке (Thomas Dohmke), что привело к внутренним изменениям в структуре компании.
09.10 / 08:55
технологии СМИ смартфоны общество гаджеты утечки СМИ: из-за конкуренции с OnePlus 15 глобальный релиз Realme GT 8 Pro состоится на неделю раньше
Глобальный релиз флагманского смартфона Realme GT 8 Pro, который первым из производителей объединит Snapdragon 8 Gen 5, 2K-дисплей и перископическую камеру на 200 Мп, ожидался в конце ноября, однако в СМИ появилась информация, что китайский производитель выпустит новинку раньше.
09.10 / 08:55
технологии Tesla история журналист Рук не хватает: Tesla остановила производство гуманоидных роботов Optimus из-за серьезных конструкторских проблем
Илон Маск (Elon Musk) возлагает большие надежды на гуманоидных роботов Optimus и не скупится на громкие заявления. Он утверждал, что Optimus станет “самым успешным товаром в истории человечества”, а в 2025 году планировал произвести “легион роботов” — 5 000 (причем изначально он рассчитывал на 12000 единиц, но понял, что такой объем пока недостижим).
09.10 / 08:55
бизнес Samsung Nvidia самит Samsung получила самую приятную новость года: Nvidia будет закупать ее HBM3E-память
Компания Nvidia официально одобрила 12-слойные чипы высокоскоростной памяти HBM3E от Samsung для использования в своих флагманских AI-акселераторах GB300. Это важный прорыв для южнокорейского гиганта, который более полутора лет пытался получить эту сертификацию.
09.10 / 08:51
технологии исследование Прототип магниевого аккумулятора работает в обычных условиях: ученые преодолели высокотемпературные ограничения
Японские исследователи из Университета Тохоку представили прототип перезаряжаемого магниевого аккумулятора (RMB).
09.10 / 08:30
технологии деньги общество доллар жертва Oracle ТОП-5 ИБ-событий недели по версии Jet CSIRT
Сегодня в ТОП-5 — Oracle Apps в вымогательстве, пять известных эксплуатируемых уязвимостей CISA, Battering RAM, вредоносный PyPI-пакет soopsocks, небезопасные мобильные приложения для организации VPN.
09.10 / 08:30
продукты связь общество самит google gemini Google заплатит до $30 тысяч за борьбу с «несанкционированными действиями» своих ИИ-ботов
Google запустила новую программу вознаграждений, специально предназначенную для поиска ошибок в продуктах с искусственным интеллектом. Величина наград может достигать $30 тысяч.
09.10 / 08:30
технологии Apple Apple нашла новый, более эффективный способ предотвратить игнорирование и пропуск будильников на iPhone
Apple переработала интерфейс «Будильника», назначив кнопку-слайдер на его отключение. Изменение появилось в обновлении iOS 26.1 Beta 2, которое можно установить на iPhone 11 и более новые модели.
09.10 / 08:30
книги выплаты доллар правительство deloitte Deloitte возместит австралийскому правительству расходы на оплату своих услуг из-за галлюцинаций ИИ
Компания Deloitte, предоставляющая консалтинговые услуги, выплатит министерству занятости и трудовых отношений Австралии компенсацию за собственный отчёт, который содержал галлюцинации, связанные с ИИ.
09.10 / 08:20
Sony walmart мода и стиль Sony выпускает игровой контроллер DualSense в цвете Icon Blue
Модель под названием Icon Blue Special Edition вдохновлена фирменной синей подсветкой, ставшей символом бренда PlayStation со времен PS4. Контроллер выполнен в многослойных оттенках синего цвета на рукоятках и нижней части корпуса, а сенсорная панель украшена глянцевым узором из символов PlayStation.
09.10 / 07:36
СМИ общество журналист Ethereum UBS CEO Solana Company планирует выкупить 5% от предложения Solana на более чем $6 млрд
Компания Solana Company планирует выкупить 5% от общего предложения Solana на сумму около $6 млрд. Об этом заявил CEO фирмы Джозеф Чи в интервью китайским СМИ. Журналисты отметили, что Чи – бывший глава азиатского подразделения инвестбанка UBS стал новым CEO американской компании Helius Medical Technologies (HSDT). Менее чем за месяц он переориентировал компанию в Digital Asset Treasury (DAT), изменил ее название на Solana Company и начал формировать резерв в Solana. Дж
09.10 / 07:36
финансы конференция общество политика Блокчейн правительство Власти Великобритании объявили о создании должности «чемпиона цифровых рынков»
Великобритания объявила о создании новой должности — «чемпиона цифровых рынков». Он будет курировать токенизацию финансовых инструментов и цифровизацию оптовых рынков страны. О планах правительства сообщила министр финансов Люси Ригби в речи, подготовленной к конференции Digital Assets Week в Лондоне, пишет Bloomberg. По словам Ригби, ключевая задача назначенного специалиста кроется в том, чтобы объединить усилия частного сектора и государственных институтов для внедрения токенизации. Иными словами он будет работать над переводом традиционных активов, таких как акции и облигации, в формат, основанный на блокчейн-технологии. Однов
09.10 / 07:34
бизнес продукты технологии Яндекс общество курс Нейросети для бизнеса: новый курс в Яндекс Практикуме
Нейросети преобразуют бизнес так же, как когда-то это сделал интернет: ускоряют процессы, меняют подход к созданию продуктов и открывают новые точки роста. Но чтобы извлечь из этих возможностей максимум, технологии нужно внедрять вовремя и системно.
09.10 / 07:34
электроэнергия энергетика Microsoft приобретает ещё 100 МВт солнечной энергии, на этот раз в Японии
Microsoft закупит 100 МВт солнечной энергии у японской компании Shizen Energy, чтобы обеспечить свои растущие вычислительные возможности. Соглашение между сторонами охватывает четыре объекта солнечной энергетики: один уже функционирует, а три остальные находятся на стадии строительства. Сделка предусматривает выработку энергии на этих станциях в течение 20 лет.
09.10 / 07:34
технологии общество самит Microsoft подтвердила баг с неработающей функцией «Обновить и завершить работу» в Windows 11
Microsoft подтвердила, что тестирует исправление в последних предварительных сборках Windows 11, которое должно устранить давнюю ошибку Центра обновления Windows. Из-за неё опция «Обновить и завершить работу», появляющаяся при установке обновления, фактически не выключала компьютер.
09.10 / 07:27
здоровье смартфоны прочее ИИ Транспорт «Умная» трость Glide с искусственным интеллектом
Стартап Glidance из Сиэтла представил устройство Glide — «умный» навигатор, созданный для помощи людям с нарушением зрения при передвижении по городу.
09.10 / 07:20
утечки ubisoft Assassin's Creed Неожиданно: Ubisoft отменила игру Assassin’s Creed в сеттинге гражданской войны в США
Из сообщений инсайдеров известно о множестве частей Assassin’s Creed, которые в данный момент находятся в разработке. Но одна из игр оказалась настолько засекреченной, что информация о ней появилась только после отмены проекта.
09.10 / 07:05
технологии люди мода и стиль Ricoh не имеет цветового стиля Leica или оптики Zeiss, но Realme выбрала именно ее
Как сообщают источники, 14 октября в Пекине компания realme объявит о стратегическом сотрудничестве с японской компанией Ricoh Imaging Company Ltd. Как сообщается, чтобы заложить фундамент этого партнерства обе компании добросовестно работали вместе на протяжении четырех лет. Первым результатом этого сотрудничества станет смартфон Realme GT8 Pro, который должны анонсировать в этом месяце.
09.10 / 07:02
криптовалюта инвестор правительство BTC Курс bitcoin CryptoQuant CryptoQuant: биткоин может продолжить рост — инвесторы не спешат фиксировать прибыль
Аналитическая компания CryptoQuant сообщила, что несмотря на достижение биткоином нового исторического максимума в более $126 000, инвесторы продолжают удерживать свои позиции. По подсчетам экспертов, чистый объем реализованных прибылей биткоин-холдеров за последние 30 дней составляет около 0,26 млн BTC (примерно $30 млрд). Это на 50% ниже уровней, которые наблюдались во время формирования ценовых пиков, и значительно меньше показателей: июля 2025 го
09.10 / 07:02
СМИ законодательство банк журналист криптовалюта правительство В Казахстане закрыли 130 криптообменников
В Казахстане закрыли 130 незаконных криптовалютных обменников и конфисковали виртуальные активы на сумму $16,7 млн. Об этом сообщают местные СМИ со ссылкой на заместителя председателя Агентства финансового мониторинга (AFM) Кайрата Бижанова на заседание правительства. Известно, что ликвидированные криптообменники подозреваются в отмывании средств, добытых преступным путем, и конфискованы По словам журналистов, в соответствии с казахстанским законодательством, работать имеют
09.10 / 06:59
продукты люди здоровье Здоровье и красота вредные продукты болезнь Как отреагирует организм, если ежедневно есть красное мясо
Красное мясо содержит ценные вещества, но в большом количестве оно способно подорвать ваше здоровье.
09.10 / 06:36
связь люди ученые здоровье общество самит Дом и интерьер Тест на долголетие: ученые подсказали простой способ узнать, есть ли шанс дожить до 100 лет
Эксперты рассказали, как по рукопожатию определить может ли человек стать долгожителем.
09.10 / 06:33
Apple Booking самит курс google крипто Прошел OpenAI DevDay 2025. Что нужно знать?
На OpenAI DevDay 2025 компания представила ряд инструментов, которые расширяют возможности ChatGPT и превращают его в полноценную платформу для приложений, ИИ и автоматизации.
09.10 / 06:33
технологии конференция криптовалюта жертва майнинг Redis предупредила о 13-летней критической уязвимости в коде проекта
Команда безопасности Redis выпустила исправления для уязвимости максимального уровня серьёзности, которая может позволить злоумышленникам удалённо выполнять код на тысячах уязвимых экземпляров. Она присутствовала в коде проекта 13 лет.
09.10 / 06:33
закон общество выплаты nintendo reddit Nintendo подала в суд на бывшего модератора Reddit, требуя компенсации в $4,5 млн за пиратство
Японская Nintendo предъявила иск к бывшему модератору Reddit Джеймсу Уильямсу под ником Archbox за управление саббредитом r/SwitchPirates, посвящённым пиратству на Nintendo Switch. Компания намерена добиться от него компенсации в размере $4,5 млн.
09.10 / 06:17
экономика смартфоны интересное прочее Транспорт В Германии тестируют «умное» дорожное покрытие из льняных волокон
Учёные из немецкого Института исследований древесины имени Фраунгофера разработали новый «умный» материал для мониторинга состояния дорог.
09.10 / 05:53
самит криптовалюта Ethereum BTC Курс bitcoin Трейдерам CryptoQuant Glassnode: 95% предложения биткоина находится в прибыли
Цена первой криптовалюты превысила отметку $117 000, после чего прибыльными стали более 95% биткоинов, находящихся в обращении. Об этом свидетельствуют данные аналитической платформы Glassnode. По мнению аналитиков, такая ситуация характерна для фаз эйфории на рынке. По их словам, в этот период трейдеры массово фиксируют прибыль, что часто приводит к повышению волатильности и рисков. Эксперт CryptoQuant под псевдонимом Maartunn сообщил, что с кошельков, которые оставались неактивными в течение трех-пяти лет,
09.10 / 05:53
экономика общество самит Блокчейн крипто Ethereum ETF Solana сгенерировала $2,85 млрд дохода за год — в 220 раз больше, чем два года назад
Сеть Solana сгенерировала более $2,85 млрд дохода в период с октября 2024 по сентябрь 2025 года, это следует из отчета 21shares. Эксперты отметили, что источниками прибыли сети стали DeFi-протоколы, мемкоины, DePIN-решения, ИИ-приложения и торговые инструменты. Самый высокий месячный показатель — $616 млн в январе 2025 года. Его обеспечили в основном мемкоины, в частности запуск Trump Coin (TRUMP). Но даже после спада активность сети сохраняется: ежемесячный доход держится в пределах $150-250 млн, говорится в заявлении. По данным 21shares, наибольшую долю доходов Solana формируют онч
09.10 / 05:53
общество прогноз самит крипто NYSE токен Соучредитель Polymarket намекнул на выпуск токена POLY
Соучредитель Polymarket Шейн Коплан намекнул на предстоящий выпуск токена POLY. Соответствующий пост предприниматель опубликовал в социальной сети X (ранее Twitter). Сообщение совпало с крупной инвестиционной сделкой. В ее рамках Intercontinental Exchange (ICE), владелец Нью-Йоркской фондовой биржи, объявила о намерении вложить $2 млрд в Polymarket. После завершения раунда оценка платформы прогнозов может достичь $9 млрд. Это сделает ее одним из самых дорогих проектов в сфере децентрализованных рынков. Коплан,

Добро пожаловать на RIA24.today, ведущий новостной сайт, который предлагает вам самые свежие и актуальные новости со всего мира. Наша миссия - обеспечить вас достоверной информацией о самых важных событиях, происходящих в политике, экономике, культуре, науке, спорте и других областях.

RIA24.today основывается на более чем двадцатилетнем опыте и репутации РИА Новости - одного из самых авторитетных информационных агентств в мире. Мы сотрудничаем с опытными журналистами и экспертами, чтобы предоставить вам качественную, объективную и своевременную информацию.

Мы оперативно освещаем события на мировой арене, а также предлагаем глубокий анализ и эксклюзивные материалы, чтобы помочь вам понять контекст и значение этих событий. Наша команда постоянно отслеживает новости и следит за развитием ситуации, чтобы вы могли быть в курсе последних обновлений.

DMCA